媒體報道
首頁 > 新聞動態 > 媒體報道
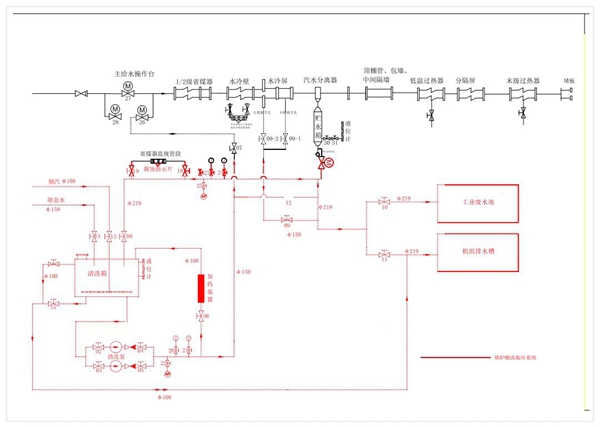
【陜煤集團網】彬長礦業發電公司:鍋爐酸洗工作圓滿完成

5月28日11時,彬長礦業發電公司“雙示范”項目一號機組鍋爐酸洗工作圓滿完成。
鍋爐酸洗是機組整套啟動前的一項重要工作,主要目的是通過酸洗,清洗出鍋爐水系統管道在制造、運輸和安裝過程中殘留的外來污染物和氧化物質,除去鍋爐蒸發受熱面內鐵銹、焊渣、泥砂等雜物,提高系統的清潔度,縮短新機組啟動到正常運行的時間,并在金屬表面形成致密的保護膜,減緩熱力設備的腐蝕,從而保證水汽品質,以利于今后機組安全、經濟、穩定運行。

本次鍋爐本體采用EDTA銨鹽清洗,清洗、鈍化一步完成,中間不再產生任何廢水,相比其他工藝清洗產生的廢液最少。為確保酸洗工作順利進行,該公司同調試單位提前策劃、科學部署,多次組織各施工單位召開鍋爐酸洗專題會,就清洗中各個環節進行了詳細討論,對操作步驟、安全環保措施、廢液處理及排放、應急處理、質量評定等均作了詳細規定,明確了組織分工與安全措施,并合理調配人員,最終制定了詳細可行的酸洗方案和技術措施,為鍋爐酸洗工作正常、有序進行提供必要的人員、組織和技術保障,保證了鍋爐酸洗工作順利開展。

鍋爐酸洗期間,該公司認真落實調試組織機構24小時值班制度,組織工程部、生產準備部相關人員全程監督,專門成立了調試酸洗小組,全面跟蹤,保證酸洗進度。整個酸洗進程中,未發生藥液泄漏、人員和設備損傷,鍋爐水系統在經過沖洗、加熱、酸洗、鈍化等一系列規范處理后,于5月28日圓滿結束。
此次酸洗的順利結束,標志著彬長礦業發電公司又一重大節點順利完成,為下一步的鍋爐點火吹管、機組整套啟動奠定了堅實基礎。(郭弘謙 梁重陽)


